Published:2009/7/1 4:41:00 Author:May | From:SeekIC

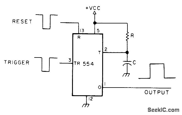
Uses one section of 554 quad monostable timer, connected to give output pulse for negative-going trigger pulse. Width of output pulse in seconds is equal to RC. Trigger must be narrower than output pulse. VCC is 4.5-16 V at 3-10 mA.-H. M. Berlin. IC Timer Review. 73 Magazine, Jan. 1978. p 40-45.
Reprinted Url Of This Article:
http://www.seekic.com/circuit_diagram/Basic_Circuit/554_M0N0.html
Print this Page | Comments | Reading(3)
Code: