Published:2009/7/1 2:43:00 Author:May | From:SeekIC

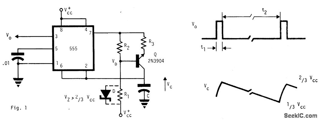
This free-running multivibrator uses an external current sink to discharge the timing capacitor, C. Therefore, interval t2 may easily be 1000 x the pulse duration, t1, which defines a positive output. Capacitor voltage, VC, is a negative going ramp with exponential rise during the pulse output periods.
Reprinted Url Of This Article:
http://www.seekic.com/circuit_diagram/Basic_Circuit/555_ASTABLE_WITH_LOW_DUTY_CYCLE.html
Print this Page | Comments | Reading(3)
Code: