Published:2009/7/14 4:43:00 Author:May | From:SeekIC



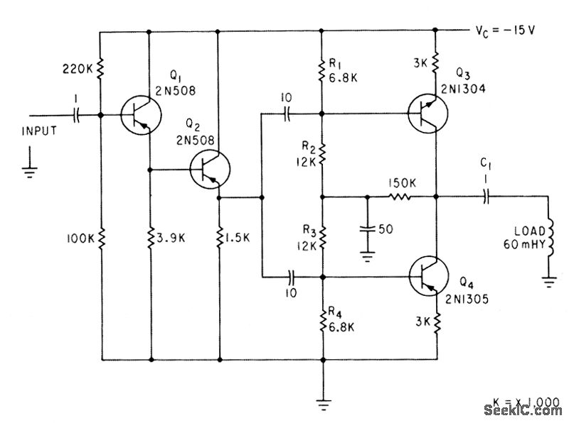
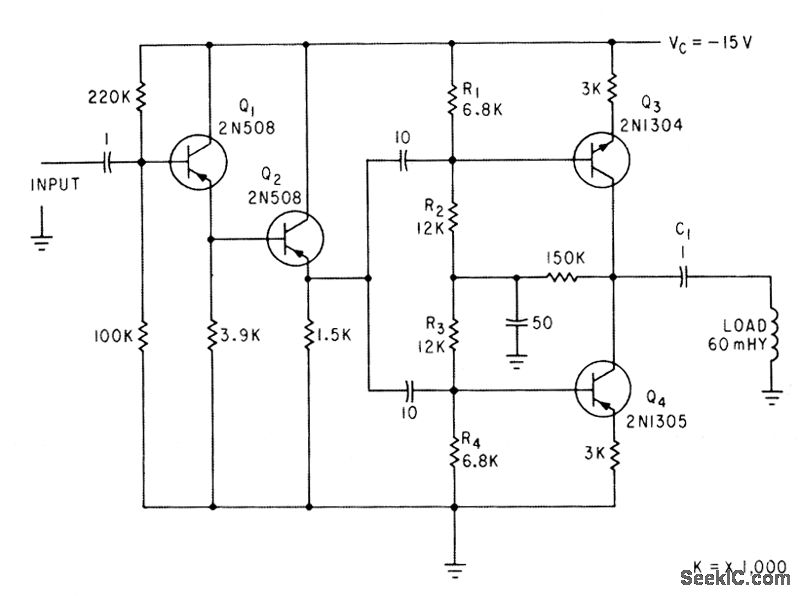
Used to drive 60-mh transducer at constant current without allowing d-c through transducer. Achieved by biasing Q3 and Q4 on all the time, so each acts as collector resistance for the other.-S. Sokol, Transistor Pair Provides Constant-Current Drive, Electronics, 35:38, p 56.
Reprinted Url Of This Article:
http://www.seekic.com/circuit_diagram/Basic_Circuit/5OO_MICROAMP_AT_3O_TO_30000_CPS.html
Print this Page | Comments | Reading(3)
Code: