Published:2009/7/1 23:25:00 Author:May | From:SeekIC

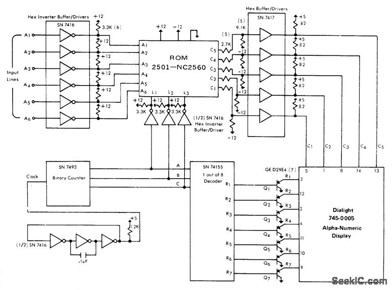
Drive for Dialight 745-0005 64-character alphamerle display generates desired character in response to pattern of 0s and 1s on input lines A1-A6. Timing of sequential scanning operation for seven horizontal rows of matrix is controlled by clock that drives binary counter having row-selecting outputs A, B, and C. Outputs C1-C5 of ROM correspond to vertical rows of dots enabled by 1-out-of-8 decoder.- Readout Displays, Dialight,Brooklyn, NY,1978,Catalog SG745,p 24-26.
Reprinted Url Of This Article:
http://www.seekic.com/circuit_diagram/Basic_Circuit/5_×_7_DOT_MATRIX.html
Print this Page | Comments | Reading(3)
Code: