Published:2009/7/13 22:24:00 Author:May | From:SeekIC

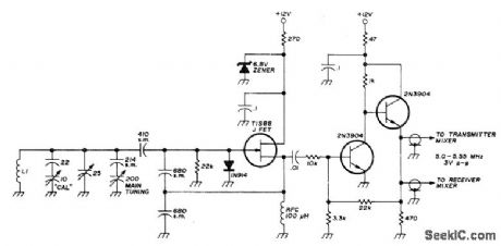
Controls both receiver and transmitter of low-power transceiver for 20 meter amateur band. L1 is 3.5 μH wound on 6mm ceramic form without tuning slug. Number of turns is adjusted to obtain exact inductance. JFET can also be 2N4416 or Motorola MPFl02. VFO is buffered with single-stage feedback amplifier using pair of 2N3904 transistors (transistor type is not critical). Article also gives other circuits of transceiver.-W. Hayward, Low-Power Single-Band CW Transceiver, Ham Radio, Nov. 1974, p 8-17.
Reprinted Url Of This Article:
http://www.seekic.com/circuit_diagram/Basic_Circuit/5_555_MHz_VFO.html
Print this Page | Comments | Reading(3)
Code: