Published:2009/7/1 22:37:00 Author:May | From:SeekIC

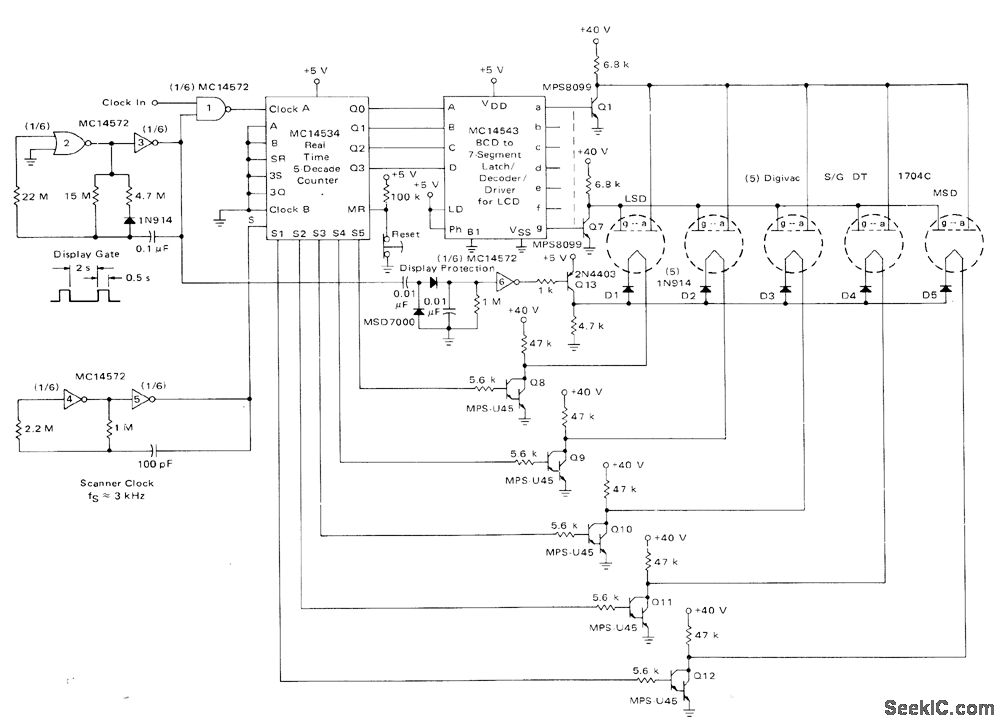
Realtime drive for five-decade counter requires only three lCs MC14534 contains five-decade ripple counter with output time multiplexed by internal scanner. Scanning rate is controlled by inverters 4 and 5 of MC14572. Multiplexed BCD outputs go to MC14543 7-segment decoder whose outputs drive fluorescent diodes.-A.Pshaenich, Interface Considerations for Numeric Display Systems, Motorola,Phoenix,AZ,1975,AN-741,p 10.
Reprinted Url Of This Article:
http://www.seekic.com/circuit_diagram/Basic_Circuit/5_DIGIT_FLUORESCENT_DIODES.html
Print this Page | Comments | Reading(3)
Code: