Published:2009/7/1 21:20:00 Author:May | From:SeekIC

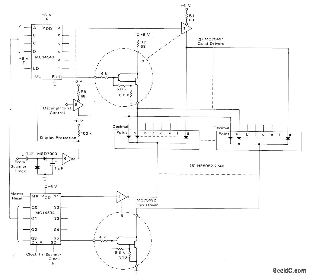
Circuit providesstrobing of LEDs so peak current and light output are greater for same average current Peak fotward current for display is about 40 mA. All Iike anode segments of common-cathode displays are driven by emitter outputs of MC75491 quad drivers.-A. Pshaenich, Interface Considerations for Numeric Display Systems, Motorola, Phoenix, AZ, 1975, AN-741, p 13.
Reprinted Url Of This Article:
http://www.seekic.com/circuit_diagram/Basic_Circuit/5_DIGIT_LED_REAL_TIME.html
Print this Page | Comments | Reading(3)
Code: