Published:2009/7/20 21:56:00 Author:Jessie | From:SeekIC

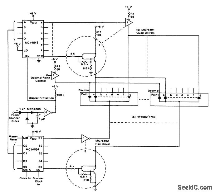
5-digit LED (courtesy Motorola Semiconductor Products Inc.).
Reprinted Url Of This Article:
http://www.seekic.com/circuit_diagram/Basic_Circuit/5_digit_LED.html
Print this Page | Comments | Reading(3)
Code: