Published:2009/7/2 4:54:00 Author:May | From:SeekIC

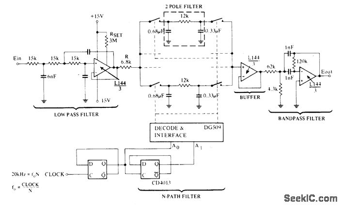
N-path filter having N of 4,Q of 500, and voltage gain of 2 uses DG5O9 four-channel CMOS differential multiplexer having necessary pairs of analog switches and decode logic. Dual D flip-flop generates 2-bit binaly sequence from 20-kHz clock signal. Bandwidth is about 10 Hz for 3 dB down, centered on 5 kHz.- Analog Switches and Their Applications, Siliconix, Santa Clara, CA, 1976, p 5-15-5-17.
Reprinted Url Of This Article:
http://www.seekic.com/circuit_diagram/Basic_Circuit/5_kHz_SERIES_SWITCHED_BANDPASS.html
Print this Page | Comments | Reading(3)
Code: