Published:2009/7/13 21:45:00 Author:May | From:SeekIC

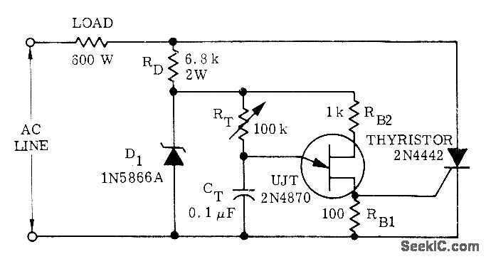
UJT serves as trigger for thyristor in circuit that provides power control for load only on positive half-cycles. Thyristor acts also as rectifier, providing variable power determined by setting of RT during positive half-cycle and no power to load during negative halfcycle.-D. A. Zinder, Unijunction Trigger Circuits for Gated Thyristors, Motorola, Phoenix, AZ, 1974, AN-413, p 3.
Reprinted Url Of This Article:
http://www.seekic.com/circuit_diagram/Basic_Circuit/600_W_HALF_WAVE.html
Print this Page | Comments | Reading(3)
Code: