Published:2009/7/2 21:19:00 Author:May | From:SeekIC

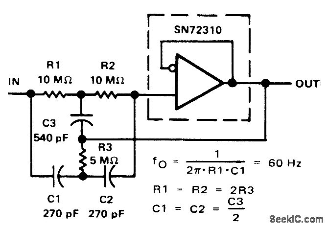
Input network for SN72310 voltage-follower opamp provides at-tenuation of 60-Hz power-line frequency. Use high-quality capacitors for maximum a.- The Linear and Interface Circuits Data Book for Design Engineers, Texas Instruments, Dallas, TX, 1973, p 4-39.
Reprinted Url Of This Article:
http://www.seekic.com/circuit_diagram/Basic_Circuit/60_Hz_HIGH_Q_NOTCH.html
Print this Page | Comments | Reading(3)
Code: