Published:2009/7/7 20:33:00 Author:May | From:SeekIC

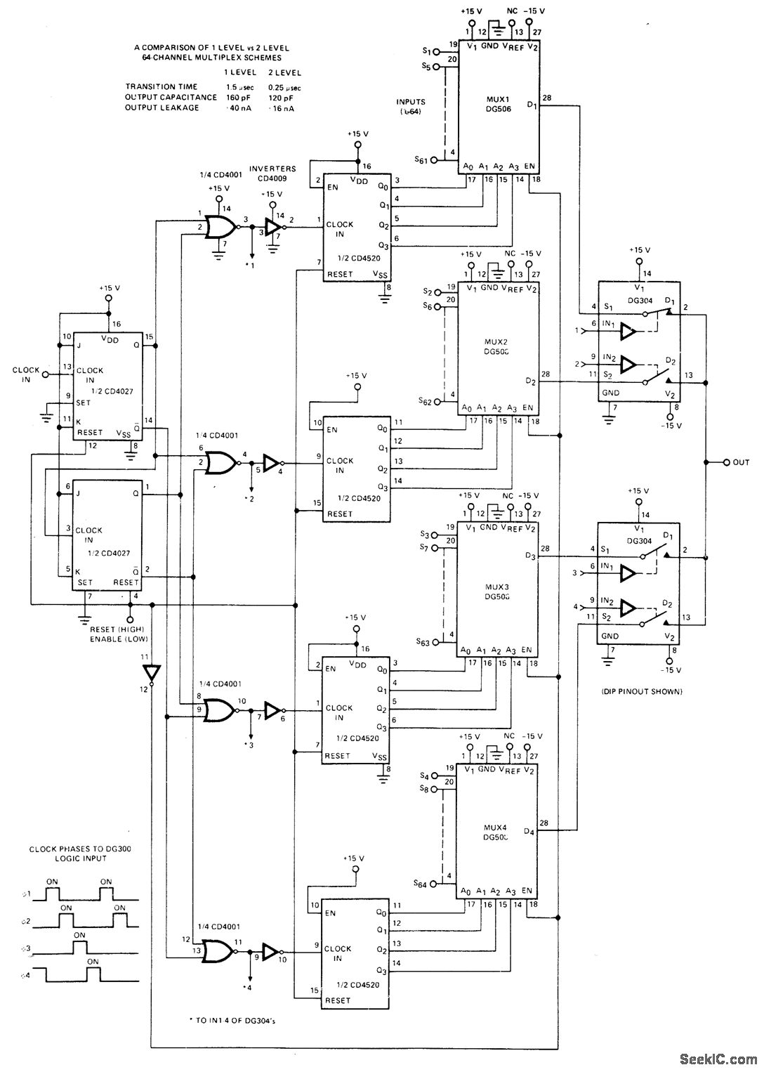
Foul DG506 16-channel multiplexers serve for first multiplexer level, and two DG304 high-speed dual analog switches serve in second level for switching DG506 outputs to single output of multiplexer. As one multiplexor is being sampled at output, other multiplexers are being switched to next address line; this shortens overall system transition time from 1.5μs to 0.25μs. Two-level system also lowers output node capacitance and output leakage. CMOS digital logic controls entire system.- Analog Switches and Their Applications, Siliconix, Santa Clara, CA, 1976, p 7.82-7-84.
Reprinted Url Of This Article:
http://www.seekic.com/circuit_diagram/Basic_Circuit/64_CHANNEL_TWO_LEVEL_HIGH_SPEED.html
Print this Page | Comments | Reading(3)
Code: