Published:2009/7/1 20:56:00 Author:May | From:SeekIC

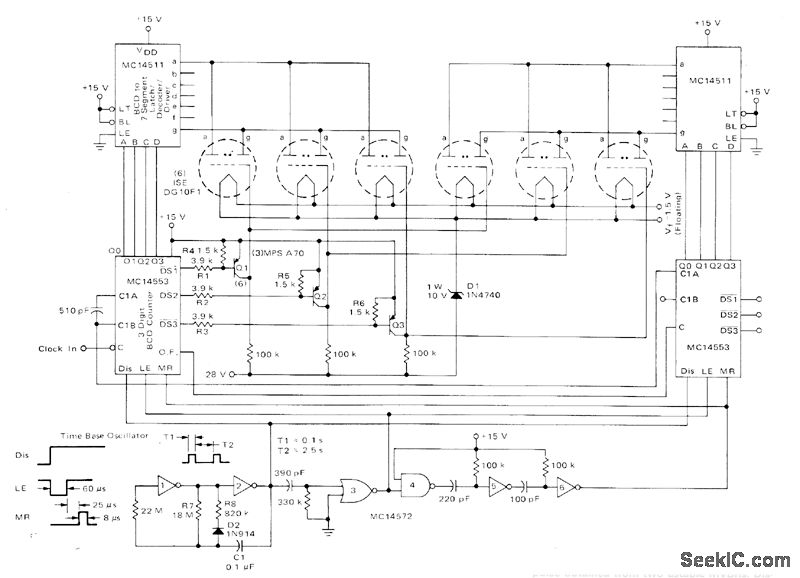
Uses two sets of cascaded counters and decoders with series switching of positive voltage to anode with MC14511 ICs. Digit scanning is accomplished by turning on grid control transistors Q1-Q3 with negative-going digit select outputs of one MC14553, Timing for counters is derived from MC14572 logic elements, with disable pulse obtained from two astable MVBRs. Display digits can be packaged individually or in single envelope.-A. Pshaenich, Interface Considerations for Numeric Display Systems, Motorola, Phoenix, AZ, 1975, AN-741, p 9.
Reprinted Url Of This Article:
http://www.seekic.com/circuit_diagram/Basic_Circuit/6_DIGIT_FLUORESCENT_TRIODES.html
Print this Page | Comments | Reading(3)
Code: