Published:2009/7/1 5:22:00 Author:May | From:SeekIC


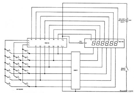
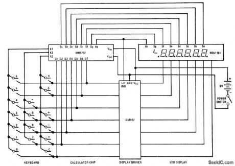
National MM5777 calculator chip requires only keyboard, NSA1161 LED display, DS8977 digit driver, and 9-V battery to provide add, subtract, multiply, and divide functions. Calculator chip includes keyboard encoding and key debouncing circuits, along with all clock and timing generators. LED segments can be driven directly, without multiplexing. Seventh digit position is used for negative sign of 6-digit number and as error indicator.Leading and trailing zero suppressionis included.-, MOS/LSI Databook, National Semiconductor,Santa Clara,GA,1977,p 8-84-8-89.
Reprinted Url Of This Article:
http://www.seekic.com/circuit_diagram/Basic_Circuit/6_DIGIT_FOUR_FUNCTION.html
Print this Page | Comments | Reading(3)
Code: