Published:2009/6/30 22:25:00 Author:May | From:SeekIC

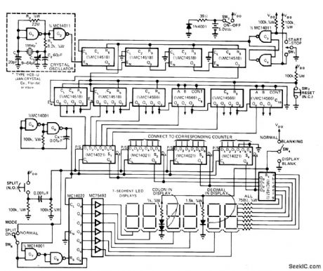
Low-cost battery-pow-ered electronic stopwatch with 6-digit LED dis-play uses readily available complex-function CM0S ICs to minimize component count. Time range is up to 59 min and 59.99 s. Multiplexing by time-sharing counters through one display-driving decoder cuts battery drain because each digit is on for only one-sixth of time. Article traces operation of circuit step by step. Maxi-mum error is only 0.001 s/h. Four rechargeable nicad batteries Iast 500 h per charge if displays are blanked when not being read, and about 6 h without blanking.-A. Mouton, Build Your Own Digital Stopwatch with Strobed LED Read-out, EDN Magazine, AprilS, 1974, p 55-57.
Reprinted Url Of This Article:
http://www.seekic.com/circuit_diagram/Basic_Circuit/6_DIGIT_STOPWATCH.html
Print this Page | Comments | Reading(3)
Code: