Published:2009/7/20 22:31:00 Author:Jessie | From:SeekIC

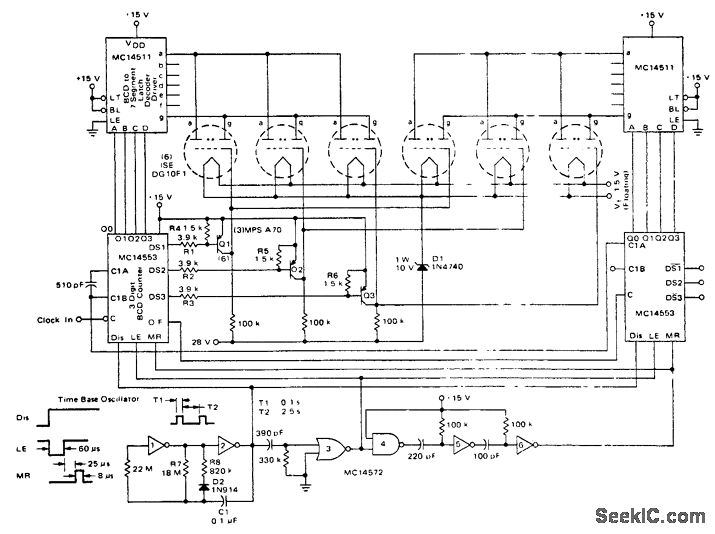
6-digit fluorescent triode display (courtesy Motorola Semiconductor Products Inc.).
Reprinted Url Of This Article:
http://www.seekic.com/circuit_diagram/Basic_Circuit/6_digit_fluorescent_triode_display.html
Print this Page | Comments | Reading(3)
Code: