Published:2009/7/2 4:55:00 Author:May | From:SeekIC

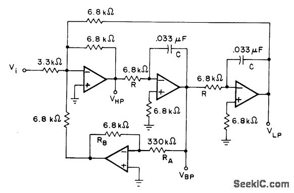
Provides voltage gain at center frequency of 100 (40 dB) and Q of 50. Used when simultaneous low-pass, high-pass, and bandpass output responses are re quired. Cutoff frequency of low-pass and high-pass responses is equal to center frequency of bandpass response. Opamps can be 741. Based on use of 5% resistors.-H. M. Berlin, Design of Active Filters, with Experiments, Howard W.Sams,Indianapolis, IN, 1977, p 184-187.
Reprinted Url Of This Article:
http://www.seekic.com/circuit_diagram/Basic_Circuit/700_Hz_STATE_VARIABL_E.html
Print this Page | Comments | Reading(3)
Code: