Published:2011/11/1 21:39:00 Author:Ecco | Keyword: driving 8 LED | From:SeekIC

Reprinted Url Of This Article:
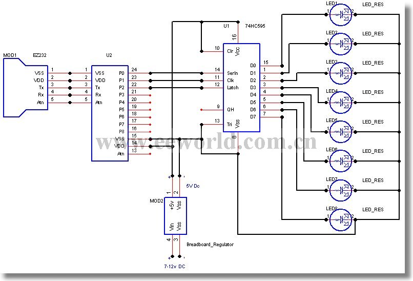
http://www.seekic.com/circuit_diagram/Basic_Circuit/74HC595_driving_8_LED_circuit_diagram.html
Print this Page | Comments | Reading(3)
Code: