Published:2009/7/14 1:24:00 Author:May | From:SeekIC

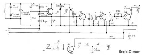
Operates at 7-W peak power for outing through interference when operating on low power on any CW band from 80 to 10 meters with typical inefficient antenna systems of portable operation, Q1 is 2N709 VFO feeding 2N697 amplifier a3 through 2N697 buffer Q2. Q4 is GE63 driver for Motorola HEP53001 final amplifier Q5. Keying can be introduced at Q2, Q3, or Q4. Article gives coil-winding data for all bands and covers construction and operation in detail. -J. Huffman, The Mini-Mite Allband QRP Rig, 73Magazine, Jury 1976, p 30-32 and 34-35.
Reprinted Url Of This Article:
http://www.seekic.com/circuit_diagram/Basic_Circuit/7_W_FOR_QRP.html
Print this Page | Comments | Reading(3)
Code: