Published:2009/6/30 1:48:00 Author:May | From:SeekIC

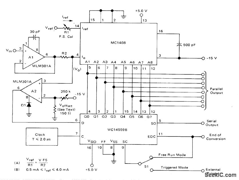
Requires only four ICs. For each cycle, most significant bit is enabled first, with comparator giving output signifying that input signal is greater or less in amplitude than output of Motorola MC1408. If output is greater, bit is reset or turned off. Process is repeated for next most significant bit until all bits have been tried, completing conversion cyde. Conversion time is 18 μs, total propagation delay is about 1.5 μs, and ovorall operational figure is about 2 μS per bit for 8-bit system.—T.Henry, Successive Approximation A/D Coversion, Motorola、Phoenix、AZ,1974、AN-716、p 4.
Reprinted Url Of This Article:
http://www.seekic.com/circuit_diagram/Basic_Circuit/8_BIT_SUCCESSIVE_APPROXIMATION.html
Print this Page | Comments | Reading(3)
Code: