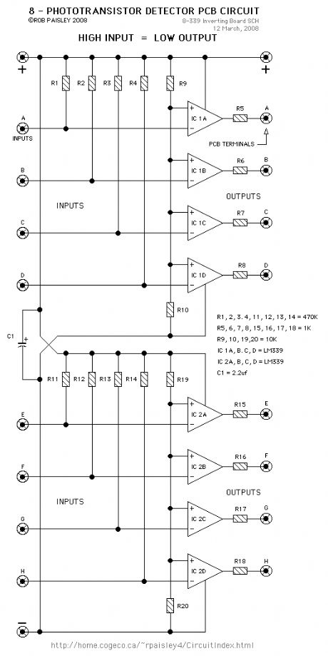
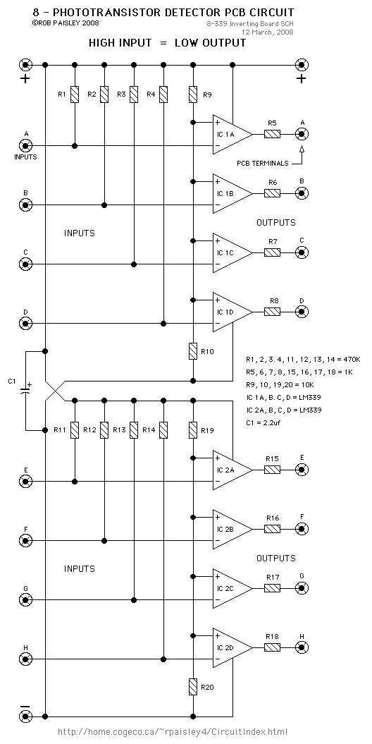
Published:2013/5/22 21:44:00 Author:muriel | Keyword: 8 - Photo-Detector PCB Circuit | From:SeekIC

Reprinted Url Of This Article:
http://www.seekic.com/circuit_diagram/Basic_Circuit/8___Photo_Detector_PCB_Circuit.html
Print this Page | Comments | Reading(3)
Code: