Published:2009/7/13 3:05:00 Author:May | From:SeekIC

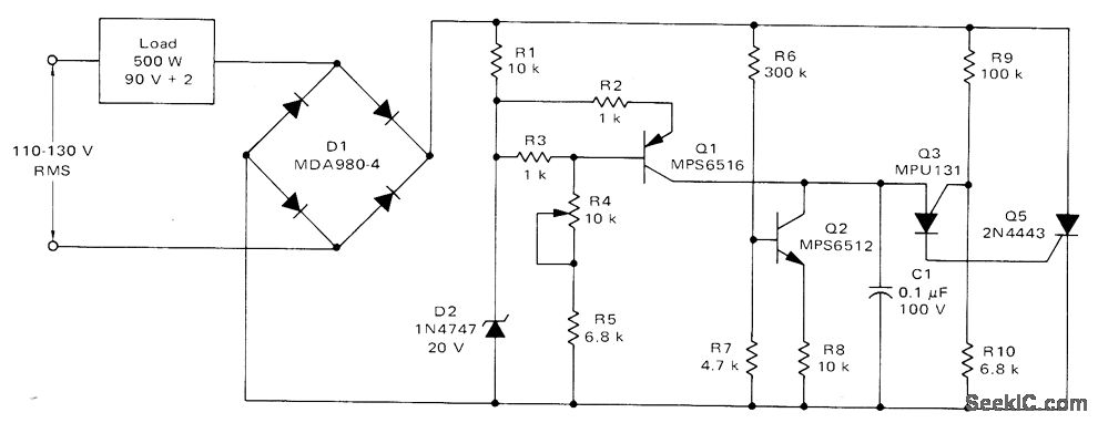
Open-loop RMS voltage regulator acts with full-wave bridge to provide good AC voltage regulation for AC load over line voltage range of 110-130 VAC. As input voltage increases, voltage across R10 increases andserves to increase firing point of PUT Q3. This delays firing of SCR Q5 to hold output voltage fairly constant as input voltage increases. Delay network of Q1 prevents circuit from latching up at beginning of each charging cycle for C1.-R.J. Haver and B.C. Shiner,″Theory,Characteristics and Applications of the Programmable Unijunction Transistor, Motorola,Phoenix,AZ,1974,AN-527,p 11.
Reprinted Url Of This Article:
http://www.seekic.com/circuit_diagram/Basic_Circuit/90_VRMS_AT_500_W.html
Print this Page | Comments | Reading(3)
Code: