Published:2009/7/15 1:37:00 Author:Jessie | From:SeekIC

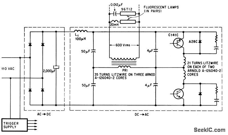
Scr inverter fluorescent lamps in parallel at 9,600 cps with power supply efficiency above 95%. Inverter operates safely without load during interval between turn. on and ionization. RC networks across diodes damp out ringing.-N. Mapham, SCR's Break the Frequency Barrier, Electronics, 38:18, p 88-97.
Reprinted Url Of This Article:
http://www.seekic.com/circuit_diagram/Basic_Circuit/9600_CPS_AT_15_KW.html
Print this Page | Comments | Reading(3)
Code: