Published:2009/7/3 0:01:00 Author:May | From:SeekIC



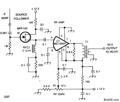
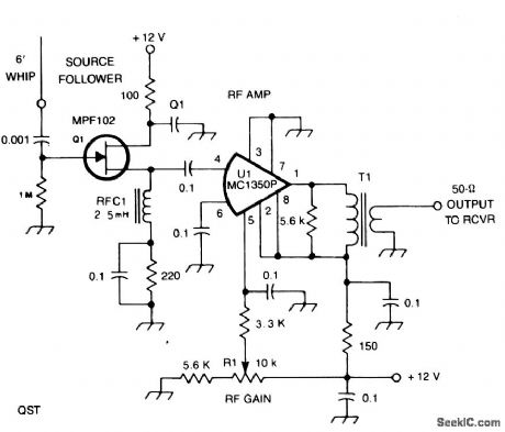
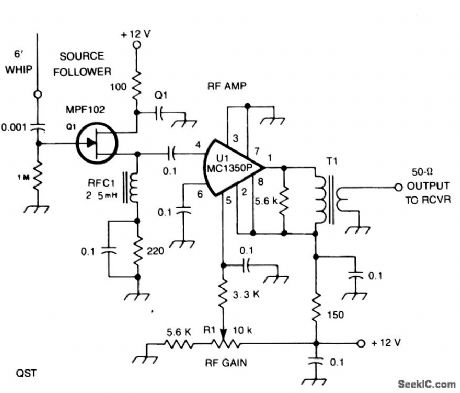
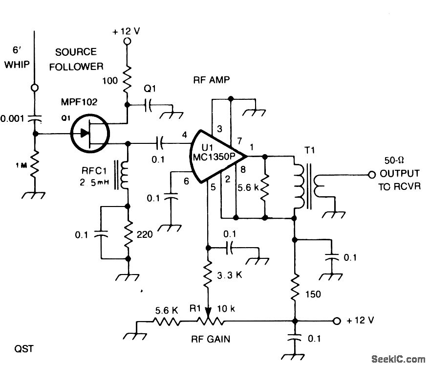
All capacitors in this circuit are disc ceramic.Fixed-value resistors are 1/4- or 1/2-W carbon. R1 controls the gain of U1. RFC1 is a miniature 2.5-mH rf choke. T1 has 30 primary turns of #28 enamel wire on an Amidon FT50 -43 ferrite toroid core, and the secondary has four turns of #28 wire.
Reprinted Url Of This Article:
http://www.seekic.com/circuit_diagram/Basic_Circuit/ACTIVE_ANTENNA_1.html
Print this Page | Comments | Reading(3)
Code: