Published:2009/7/1 20:05:00 Author:May | From:SeekIC

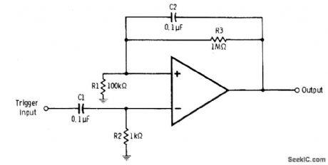
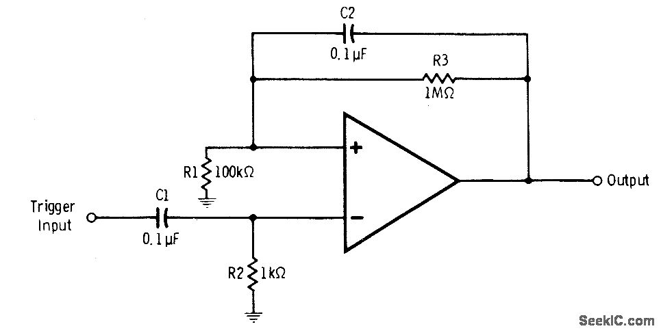
When leading edge of 2-V positive trigger pulse is applied to negative input of 741 or equivalent opamp, this input becomes more positive than positive input and opamp swings into negative saturation. This condition is held by positive feedback until trailing edge of next trigger pulse makes opamp swing back into positive saturation. C2 prevents trailing edge of first pulse from driving opamp back into positive saturation. Value shown for C2 should be increased if pulses are longer than 50 ms.-R. Melon and H. Garland, Understanding IC Operational Amplifiers, Howard W. Sams, Indianapolis, IN, 2nd Ed., 1978, p 118-119.
Reprinted Url Of This Article:
http://www.seekic.com/circuit_diagram/Basic_Circuit/AC_COUPLED_FLIP_FLOP.html
Print this Page | Comments | Reading(3)
Code: