Published:2009/6/30 3:13:00 Author:May | From:SeekIC

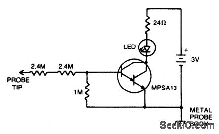
Insert the probe tip into either terminal of an ac outlet and hold the probe body against 3V anything that the circuit ground is connected to. The LED wi11 glow when the hot terminal is touched. Two 2.4 M resistors are used in the probe tip for safety (redundancy) reasons.
Reprinted Url Of This Article:
http://www.seekic.com/circuit_diagram/Basic_Circuit/AC_HOT_WIRE_PROBE.html
Print this Page | Comments | Reading(3)
Code: