Published:2009/7/1 2:27:00 Author:May | From:SeekIC

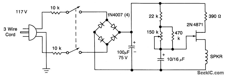
The UJT-oscillator frequency is determined by the 100μF capacitor and the effective resistance of the 22 K and 470 K resistors and the potentiometer. Rate can be varied from 42 to 208 beats/minute. The circuit should be housed in an insulated box for safety, or use ground (3-wire cord).
Reprinted Url Of This Article:
http://www.seekic.com/circuit_diagram/Basic_Circuit/AC_LINE_OPERATED_UNIJUNCTION_METRONOME.html
Print this Page | Comments | Reading(3)
Code: