Published:2009/7/14 22:48:00 Author:Jessie | From:SeekIC

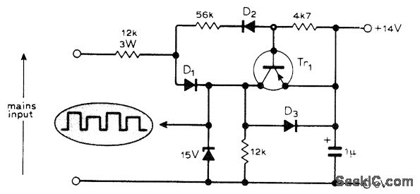
Positive-going half-cycles forward-bias D1, allowing capacitor to charge through D3 to 14V. Negative half-cycles forward-bias D2 allowing capacitor to charge through D3 to 14 V. Negative half-cycles forward-bias D2 to turn on Tr1 and discharge capacitor. Output is about 1 V less on negative half-cycles. Transistor and diode types are not critical, except that D1 must withstand full reverse voltage of AC line.-R. J. Torrens, Zero Crossing Detector, Wireless World, Jan.1977, p 78.
Reprinted Url Of This Article:
http://www.seekic.com/circuit_diagram/Basic_Circuit/AC_LINE_ZERO_CROSSING_DETECTOR.html
Print this Page | Comments | Reading(3)
Code: