Published:2009/7/10 2:00:00 Author:May | From:SeekIC

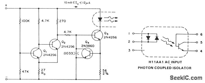
In the case where analog signals are being used as the logic control, hysteresis from a Schmitt-trigger input can be used to prevent half-wave power output. The circuit operation is as follows: at low input voltages, Q1 is biased in the off state. Q2 conducts and biases Q3, and the IRED turns off. When the base of Q1 reaches the biasing voltage of 0.6 V, plus the drop across RD, Q1 turns on. Q3 is then supplied base drive, and the solid-state relay input will be activated. The combination of Q3 and Q4 acts as a constant-current source to the IRED. In order to turn-off Q3, the base drive must be reduced to pull it out of saturation. Because Q2 is in the off-state as the signal is reduced, Q1 will now stay on to a base bias-voltage lowered by the change in the drop across RD. With these values, the highest turn-off voltage is 1.0 V, while turn-on will be at less than the 4.1 V supplied to the circuit.For ac or bipolar input signals, there are several possible connections. If only positive signals are set to activate the relay, a diode, such as the A14, can be connected in parallel to protect the IRED from reverse voltage damage, since its specified peak reverse voltage capability is approximately 3 V. If ac signals are being used, or if activation is to be polarity insensitive, a H11AA coupler, which contains two LEDs in antiparallel connection, can be used. For high-input voltage designs, or for any easy means of converting a dc input relay to ac, a full-wave diode bridge can be used to bias the IRED.
Reprinted Url Of This Article:
http://www.seekic.com/circuit_diagram/Basic_Circuit/AC_SOLID_STATE_RELAYS.html
Print this Page | Comments | Reading(3)
Code: