Published:2009/7/14 0:56:00 Author:May | From:SeekIC

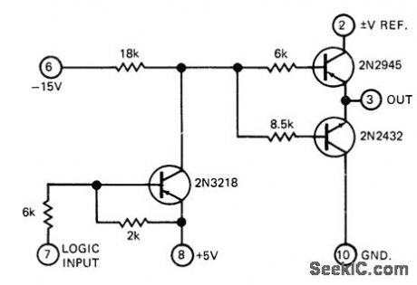
Complementary NPN and PNP transistors provide single-pole double-throw switching action for AC signals, as required in some digital-to-analog converter applications. Circuit switches between ground and signals of up to±5 V. Output transistor pair will toggle with unipolar drive.-J. Cohen, Solid-State Signal Switching : It's Getting Better All the Time, EDN Magazine, Nov. 15, 1972, p 22-28.
Reprinted Url Of This Article:
http://www.seekic.com/circuit_diagram/Basic_Circuit/AC_SPDT.html
Print this Page | Comments | Reading(3)
Code: