Published:2011/5/11 20:38:00 Author:Ecco | Keyword: AC , DC , converter, dual op-amp | From:SeekIC

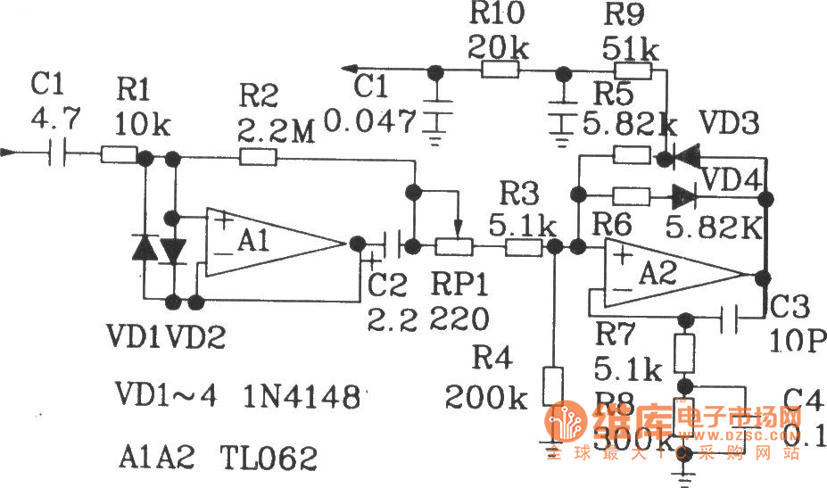
AC / DC converter circuit diagram composed of dual op-amp is shown as the chart.
Reprinted Url Of This Article:
http://www.seekic.com/circuit_diagram/Basic_Circuit/AC___DC_converter_circuit_diagram_composed_of_dual_op_amp.html
Print this Page | Comments | Reading(3)
Code: