Published:2009/7/8 22:44:00 Author:May | From:SeekIC

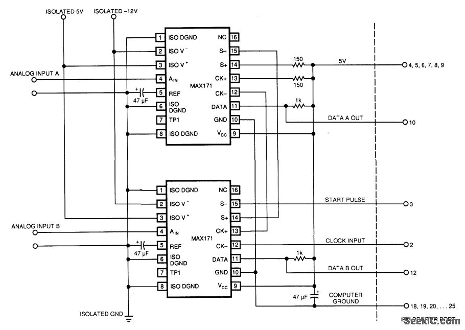
An IBM PC can operate the two 12-bit A/D converters in Fig. 1 via its printer port. The converters' serial outputs use only two of the printer port's eight data lines (DATA A OUT, DATA B OUT). Because the IBM PC's printer port supplies no power, interface software running on the PC programs the six unused data lines high. Busing these data lines provides power for the digital portion of the A/D con-verters. (The converters have internal optoisolators. Consequently, you must provide isolated supplies for their analog sides.)
Although the converters can execute 12-bit conversions in 6 μs, the slow software-driven approach used in this Design Idea stretches conversion periods out to about 100 μs (depending on your PC's clock speed).
The circuit takes advantage of the converters' optoisolator inputs to put their clock and start inputs in series. Therefore, the converters operate synchronously.
The accompanying software starts the conversions, issues clock pulses, reads the data bits as they become available, and stores them in memory. The listing is too long to reproduce here; you can obtain it from the EDN BBS (617-558-4241, 2400, 8, N, 1).
Reprinted Url Of This Article:
http://www.seekic.com/circuit_diagram/Basic_Circuit/AD_BOARD.html
Print this Page | Comments | Reading(3)
Code: