Published:2009/7/15 1:58:00 Author:Jessie | From:SeekIC

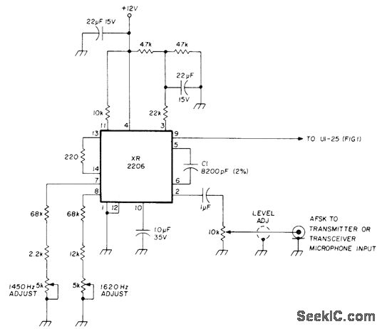
Uses phase-continuous frequency shift to prevent out-of-band transients while generating radio frequencies of 1450 and 1620 Hz. Second harmonic is outside passband of modern SSB equipment. Frequency of sine wave is determined by C1 and total resistance connected to pin 7 or 8 of Exar XR2206.-E. Kirchner, Serial Converter for 8-Level Teleprinters, Ham Radio, Aug. 1977, p 67-73.
Reprinted Url Of This Article:
http://www.seekic.com/circuit_diagram/Basic_Circuit/AFSK_GENERATOR.html
Print this Page | Comments | Reading(3)
Code: