Published:2009/7/14 23:55:00 Author:Jessie | From:SeekIC

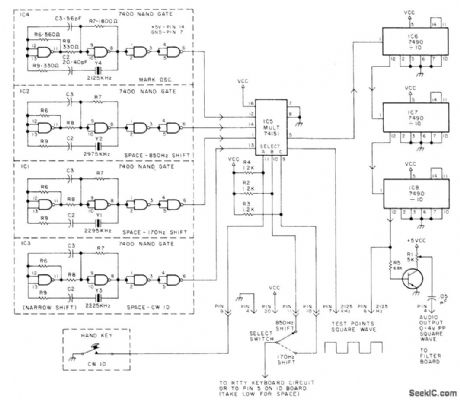
Developed for use with 49.MHz FM transmitter to rebroadcast hurricane bulletins and other weather warnings to amateur RTTY stations. Crystals assure high precision in generating RTTY tones for 850-Hz shift, with extra clystals for 170-Hz shift and for narrow-shift CW identification. Frequency tolerance is ±1 Hz and requires no calibration. Circuit uses 7400 quad NAND-gate crystal oscillator, which works with almost any HC-6/U crystal. Frequency can be adjusted by changing value of C2. Outputs feed 74151 multiplexer. When all SELECT inputs are high (2.8-5 V), mark oscillator frequency appears at multiplexer output. When input B is low (0-0.8 V), multiplexer output changes to space frequency of 2975 kHz, Multiplexer feeds divide-by-1000 chain feeding 2125-Hz square wave to buffer transistor. Article gives circuit of low-pass filter that removes harmonics from output to give pure sine wave for modulating transmitter.-L. J. Fox, Dodge That Hurricane!, 73 Magazine, Jan. 1978, p 62-69.
Reprinted Url Of This Article:
http://www.seekic.com/circuit_diagram/Basic_Circuit/AFSK_KEYER.html
Print this Page | Comments | Reading(3)
Code: