Published:2009/7/2 4:53:00 Author:May | From:SeekIC

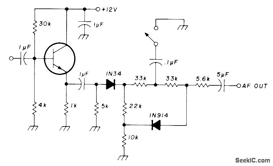
Operation is similar to that of delay line. Voltage developed across voltage divider at output of 1N34 germanium diode is instantaneous, while DC voltage at output of circuit is delayed. If no pulses are present and 0.1-μF capacitor is not at ground, 1N914 silicon diode will have floating voltage. High positive pulses charge capacitor, and silicon diode shorts audio voltage. Negative pulses disable germanium diode directly. Circuit thus acts as noise blanker in both directions. Used in European communication receivers. Transistor type is not criticaL-U. L. Rohde, IF Amplifier Design. Ham Radio, March 1977. p 10-21.
Reprinted Url Of This Article:
http://www.seekic.com/circuit_diagram/Basic_Circuit/AF_NOISE_LlMlTER.html
Print this Page | Comments | Reading(3)
Code: