Published:2009/7/10 5:17:00 Author:May | From:SeekIC

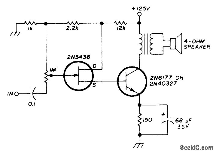
Operates directly from 125-V rectified AC line voltage. Combination of unipolar and bipolar transistors gives desirable amplifying features of each solid-state device.-I. M.Gottlieb, A New Look at Solid-State Amplifiers, Ham Radio, Feb. 1976 p 16-19.
Reprinted Url Of This Article:
http://www.seekic.com/circuit_diagram/Basic_Circuit/AF_OUTPUT.html
Print this Page | Comments | Reading(3)
Code: