Published:2009/7/15 3:57:00 Author:Jessie | From:SeekIC

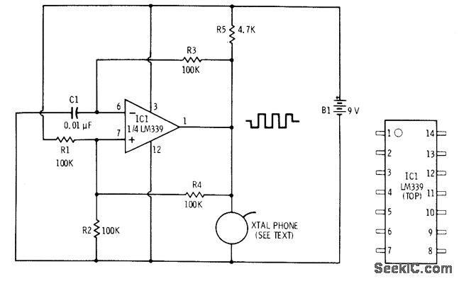
With value shown for C1, frequency of output square wave is 530 Hz. For 5300 Hz, use 0.001 μF; for 53 Hz, use 0.1 μF. Circuit will drive ordinary crystal earphone or crystal microphone used as earphone.-F. M. Mims, Integrated Circuit Projects, Vol. 5, Radio Shack, Fort Worth, TX, 1977, 2nd Ed., p 52-56.
Reprinted Url Of This Article:
http://www.seekic.com/circuit_diagram/Basic_Circuit/AF_SQUARE_WAVES.html
Print this Page | Comments | Reading(3)
Code: