Published:2009/7/5 21:24:00 Author:May | From:SeekIC

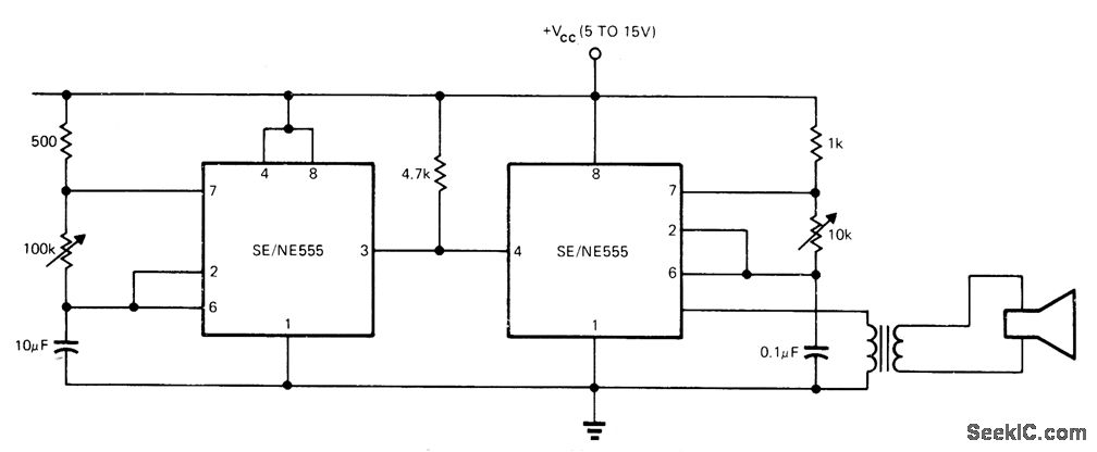
First 555 timer operates as slow astable multivibrator whose output is used to gate second timer operating as AF oscillator. Arrangement provides repeatable toneburst generation.-E. R. Hnatek. Put the IC Timer to Work in a Myriad of Ways. EDN Magazine. March 5. 1973. p 54-58.
Reprinted Url Of This Article:
http://www.seekic.com/circuit_diagram/Basic_Circuit/AF_TONE_BURSTS.html
Print this Page | Comments | Reading(3)
Code: