Published:2009/7/9 23:12:00 Author:May | From:SeekIC


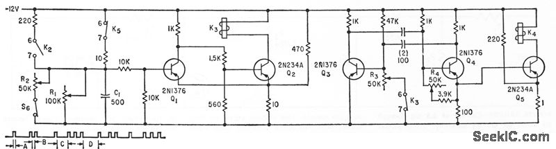
Used to generate zone codes for fire alarm.Multivibrator Q3-Q4 determines duration of A and B, while 01-02 delermines lime C-D. Molor-driven stepping switches (not shown) determine the number of K4 operations lo provide predetermined zone coding (zone 1213 for code group shown).-W. F. Ferguson, High-Powered Audio Alarm Systems, Electronics, 33:16, p 70-72.
Reprinted Url Of This Article:
http://www.seekic.com/circuit_diagram/Basic_Circuit/ALARM_SYSTEM_CODER.html
Print this Page | Comments | Reading(3)
Code: