Published:2009/7/10 1:49:00 Author:May | From:SeekIC

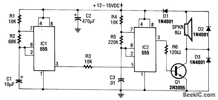
This circuit uses two NE555 timers to generate a warble tone. IC1 frequency shifts IC2 by feeding a square waxe to pin 5, the modulation input of IC2. IC1 runs at about 1 Hz
Reprinted Url Of This Article:
http://www.seekic.com/circuit_diagram/Basic_Circuit/ALTERNATE_WARBLE_TONE_SIREN.html
Print this Page | Comments | Reading(3)
Code: