Published:2009/7/3 4:57:00 Author:May | From:SeekIC

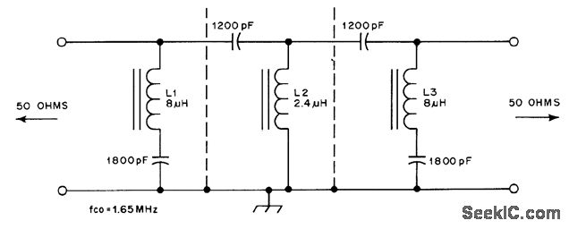
Seven-element mderived high-pass filter provides 30-dB rejection at AM broadcast-band frequencies while passing signals in 160-meter band. Midsection Inderived branch of circuit was eliminated to simplify construction, but can be added and tuned to particular broadcast station that presents dffficult interference problem. L1 and L3 are 40 turns No. 30 enamel wound on T50-2 powderediron toroid. L2 has 22 turns No. 30 on T50-2 core.-D. DeMaw, Low-Noise Receiving Antennas, QST, Dec. 1977, p 36-39.
Reprinted Url Of This Article:
http://www.seekic.com/circuit_diagram/Basic_Circuit/AM_BROADCAST_REJECTlON.html
Print this Page | Comments | Reading(3)
Code: