Published:2009/7/15 22:44:00 Author:Jessie | From:SeekIC



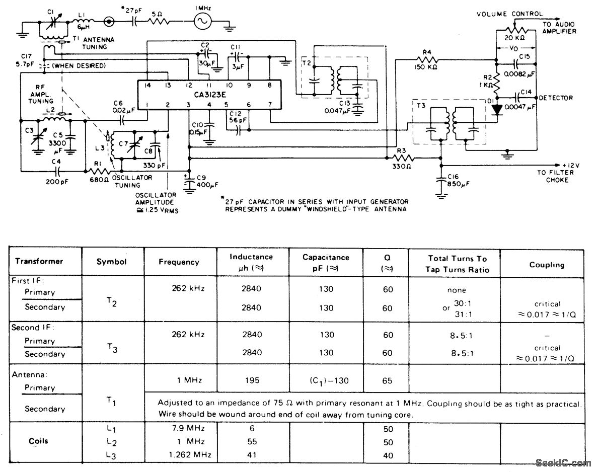
RCA CA3123E provides all active elements needed up to audio volume control Table gives values of components for tuned circuits Operates from single 12-V supply, making subsystem particularly suitable for auto radios. IF value is 262 kHz. 1-MHz signal generator shown in input circuit is used only for initial tuning.- Linear Integrated Circuits and MOS/FET's , RCA Solid State Division, Somerville, NJ 1977, p 361-362.
Reprinted Url Of This Article:
http://www.seekic.com/circuit_diagram/Basic_Circuit/AM_SUPERHET_SUBSYSTEM.html
Print this Page | Comments | Reading(3)
Code: