Published:2011/8/23 22:38:00 Author: | Keyword: field scanning, output, integrated circuit | From:SeekIC


The AN5539 is designed as the field scanning output integrated circuit which is composed of the Panasonic company, and it can be used in all kinds of domestic and imported color TVs.
1.Features
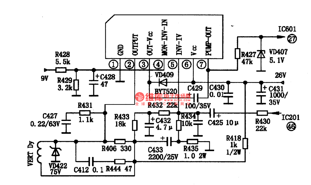
The AN5539 has the field excitation and output circuit and the pump power control circuit. The maximum output current is 2.2Ap-p, the maximum output power is 15W. The typical application circuit of the manifold is as shown in figure 1-19.
2.Pin functions and data
The AN5539 uses the 7-pin single row DIP package, the 5-pin functions and data are as shown in table 1-19.
Reprinted Url Of This Article:
http://www.seekic.com/circuit_diagram/Basic_Circuit/AN5539_field_scanning_output_integrated_circuit.html
Print this Page | Comments | Reading(3)
Code: