Published:2009/7/9 1:35:00 Author:May | From:SeekIC

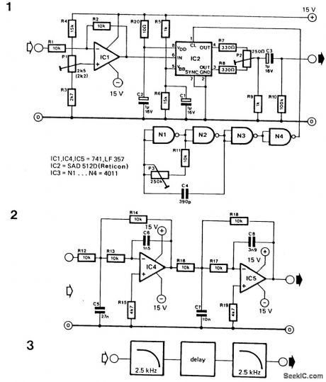
This circuit uses an SAD 512D (Reticon) chip, which is a 512-stage analog shift register. By varying the clock frequency between 5 and 50 kHz, delay time can be set between 51.2 and 5.12 ms. The clock fre-quency must be at least twice the highest audio frequency.
Reprinted Url Of This Article:
http://www.seekic.com/circuit_diagram/Basic_Circuit/ANALOG_DELAY_LINEECHO_AND_REVERB.html
Print this Page | Comments | Reading(3)
Code: