Published:2009/7/14 0:54:00 Author:May | From:SeekIC

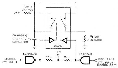
Current-limiting resistors are used in series with sections of DG300 dual analog switch to limit contact currents to 30 mA continuous or 100 mA pulsed for less than 1 ms. Values of limiting resistors depend on supply voltage used and are therefore determined by experimentation. Technique is suitable for applications in which DG300 serves for charging and discharging capacitor.- Analog Switches and Their Applications, Siliconix, Santa Clara, CA, 1976, p 7-81.
Reprinted Url Of This Article:
http://www.seekic.com/circuit_diagram/Basic_Circuit/ANALOG_SWITCH_PROTECTION_.html
Print this Page | Comments | Reading(3)
Code: