Published:2009/7/10 3:10:00 Author:May | From:SeekIC

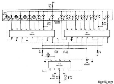
The analog display consists of a frequency/voltage converter (IC12) and bar-graph segment drivers IC10 and IC11. R34 is the calibration adjustment and is set so that an engine rpm of 5000 to 7000 rpm lights the first LED (redline value).
Reprinted Url Of This Article:
http://www.seekic.com/circuit_diagram/Basic_Circuit/ANALOG_TACHOMETER_READOUT.html
Print this Page | Comments | Reading(3)
Code: