Published:2009/7/16 1:50:00 Author:Jessie | From:SeekIC

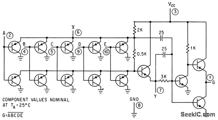
And/or gate using pnp input transistors and npn output transistors is followed by three-transistor inverting output stage. Gate has fan-in of 5.-C. R. Cook, Jr., and B. M. Martin, New semiconductor Networks Reduce System Complexity, Electronics, 37:2, p 25-29.
Reprinted Url Of This Article:
http://www.seekic.com/circuit_diagram/Basic_Circuit/AND_LOGIC_GATE.html
Print this Page | Comments | Reading(3)
Code: