Published:2009/7/14 3:39:00 Author:May | From:SeekIC

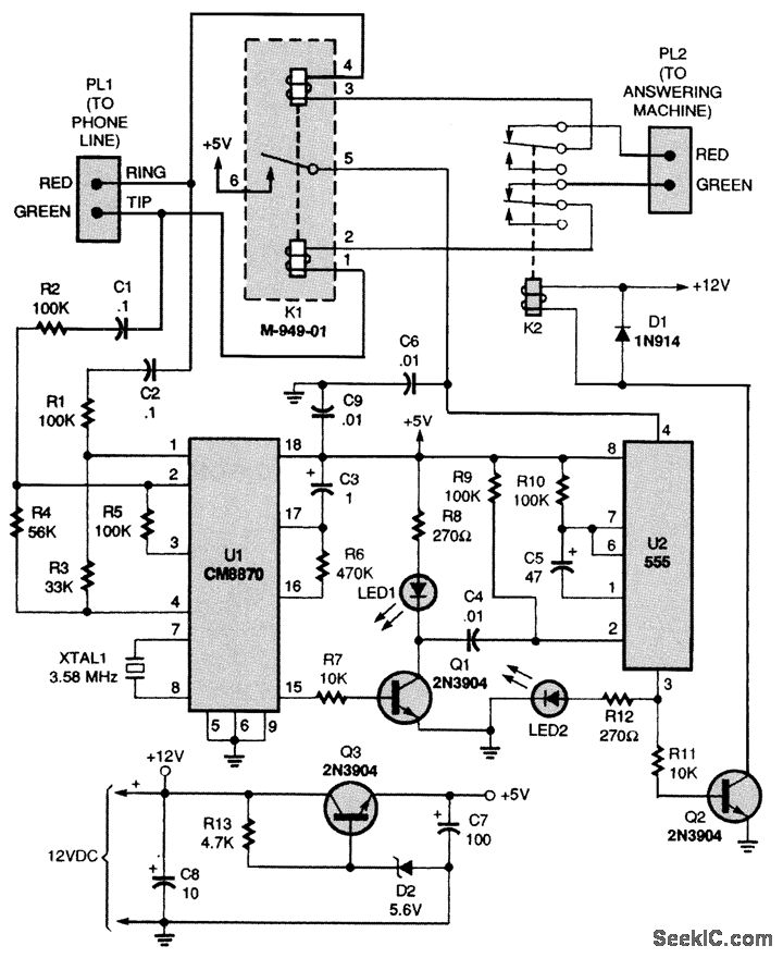
The message stopper connects between your present answering machine and any convenient modular phone jack. When any extension telephone on the same line rings and the answering machine answers the phone first, you can easily stop the outgoing message and reset the machine for the next call simply by pressing a key on the tone-dialed telephone's keypad. The schematic diagram for the message stopper is shown. Power for the circuit is supplied by a 12-V source. It is fed to the junction of K2 and Dl, also dropped to 5 V through a voltage-regulator stage composed of Q3, resistor R13, and zener diode D2, and fed to the balance of the circuit. Plug PL1 connects to the telephone line. The tip and ring conductors of that plug are connected in series to line-sense relay K1, line-disconnect relay K2, and finally plug PL2, which connects to the answering machine. Integrated circuit U1, a CM8870 DTMF receiver, monitors the phone line for the presence of DTMF signals. That chip contains an internal op-amp stage that allows it to be interfaced to the phone line using only a pair of capacitors (C1 and C2) and a few resistors. The voltage gain of the internal amplifier is unity in this circuit. When a connected answering machine answers the line and a DTMF signal is detected by U1, the output at pin 16 of U1 goes high. That causes capacitor C3 to begin discharging through resistor R6. The output at pin 15 goes high. A DTMF tone pair must be present before pin 15 goes high approximately 1/3, second and is determined by the following formula t 0.67RC where r is the time in seconds, R is the value of R6 in ohms, and C is the value of C3 in farads. As the output of pin 15 goes high, Q1 is turned on, lighting LED1 and triggering the 555 timer U2, configured as a monostable multivibrator, into operation via C4. However, U2 can receive power only if the answering machine answers the line. That is accomplished by the relay contacts within line-sense relay K1 applying +5 V to pin 4 of U2. Once U2 is triggered, pin 3 goes high for approximately 5 seconds, LED2 illuminates, and Q2 switches on. Relay K2 switches on; disconnecting the answering machine from the phone line for approximately 5 seconds. That should give the typical answering machine time to detect the line disconnection and force it to reset for the next call. However, the length of the time period can be altered by changing the values of R10 or C5, as shown in the formula: t =RC, where f is the time in seconds, R is the. value of R10 in ohms, and C is the value of C5 in farads.
Reprinted Url Of This Article:
http://www.seekic.com/circuit_diagram/Basic_Circuit/ANSWERING_MACHINE_MESSAGE_STOPPER.html
Print this Page | Comments | Reading(3)
Code: