Published:2009/7/2 22:10:00 Author:May | From:SeekIC

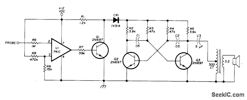
Audio oscillator Q1-Q2-Q3 is isolated from TTL by opamp U1 wired as Schmitt trigger. Opamp acts as highinput-impedance inverter. Reference level is set at +1.6 V by R8-R9 for TTL-compatible logic (about midway between high and low logic levels). When probe input is below +1.6 V, opamp output of about 10.5 V saturates Q1and disables Q2-Q3 to cut off tone. When probe voltage is above +1.6 V, U1 output is about 2 V which cuts off Q1 and allows Q2-Q3 to generate tone indicating high logic.-H. F. Batie, Versatile Audio Oscillator, Ham Radio, Jan. 1976, p 72-74.
Reprinted Url Of This Article:
http://www.seekic.com/circuit_diagram/Basic_Circuit/AUDIBLE_LOGIC_INDICATOR.html
Print this Page | Comments | Reading(3)
Code: