Published:2009/7/15 3:09:00 Author:Jessie | From:SeekIC

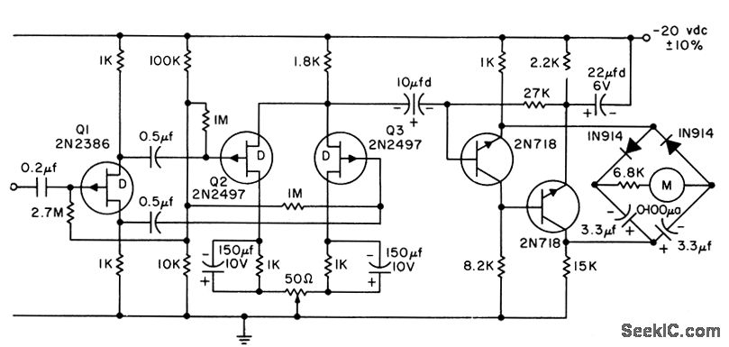
Used in noise investigation, analog computation, and measurement of power in complex wave-forms, where squarer of high accuracy and wide bandwidth is required. First stage is phase divider whose outputs drive squaring fet's Q2 and Q3 Output of squarer is coupled through capacitor to meter rectifier whose reading is Proportional to square of amplitude of input voltage.-L. J. Sevin, Jr., Field-Effect Transistors, McGraw-Hill, N.Y., 1965, p 83.
Reprinted Url Of This Article:
http://www.seekic.com/circuit_diagram/Basic_Circuit/AUDIO_FET_SQUARING_CIRCUIT.html
Print this Page | Comments | Reading(3)
Code: